MC102
설명
MC 100 시리즈는 안정적인 진공 레벨 및 흐름을 제공하는 VMECA 마이크로 카트리지가 내장된 마이크로 진공 펌프입니다. 이 펌프는 연조 및 개별 진공 펌프로 설계되었습니다. 특히, 진공 시스템에 필요한 모든 구성 요소가 통합되어 있어 추가적인 진공 구성 요소가 필요하지 않습니다.
형식표시방법

1. 기본 모델
| 제품코드 | 설명 |
| MC102 | Micro pump, 2-stage cartridge, Plug |
2. Body type
| 제품코드 | 설명 |
| S | Single unit |
| M2 | 2-Stacked vacuum pumps |
| M4 | 4-Stacked vacuum pumps |
| M6 | 6-Stacked vacuum pumps |
| M8 | 8-Stacked vacuum pumps |
| M10 | 10-Stacked vacuum pumps |
3. 밸브 옵션
| 제품코드 | 설명 |
| Blank | No air control valve – Only for single unit /option 2 |
| A | Normal closed (NC) air & vacuum release control valves |
| B | Normal closed (NC) air control valve |
4. 진공스위치
| 제품코드 | 설명 |
| Blank | No vacuum switch |
| C | LED Vacuum Switch, No analog supply, M8-3-pins connector, NPN |
| PC | LED vacuum switch, No analog supply, M8-3-pins connector, PNP |
| G | LED vacuum switch, No analog supply, 3 m lead wire, NPN |
| PG | LED vacuum switch, No analog supply, 3 m lead wire, PNP |
| V11N | Digital vacuum switch, Analog supply, 30 cm lead wire, NPN |
| V11P | Digital vacuum switch, Analog supply, 30 cm lead wire, PNP |
5. 실링재질
| 제품코드 | 설명 |
| Blank | NBR sealing material |
| V | Viton sealing material |
| E | EPDM sealing material |
기술정보
1. 일반기술정보
| 최대 진공도 | -83 kPa |
| 최대 흡입유량 | 16.5 Nl/min |
| 공급압력 | 1.2 ~ 2.6 bar (Max 7 bar) |
| 사용온도 | -20 ~ 80 ℃ |
| 소음도 | 50 ~ 60 dB |
| 중량 – 기본 펌프 | 14.1 g / Single unit |
2. 진공흡입유량
| 최대 진공도 | 공급압력 | 진공도별 (-kPa) 흡입유량 (Nl/min) | |||||||||
| -kPa | bar | 0 | 10 | 20 | 30 | 40 | 50 | 60 | 70 | 80 | 90 |
| 80 | 2.6 | 16.5 | 11.9 | 5.1 | 2.3 | 1.4 | 1.3 | 0.9 | 0.3 | 0.12 | – |
| 83 | 2.2 | 14.2 | 9.4 | 3.3 | 2.2 | 2 | 1.4 | 0.8 | 0.4 | 0.18 | – |
| 50 | 1.2 | 11.5 | 6.3 | 2.2 | 1.6 | 0.7 | – | – | – | – | – |
3. 진공도달 시간
| 공급압력 | 에어소모량 | 진공도달 시간 | ||||||||
| bar | Nl/min | 10 | 20 | 30 | 40 | 50 | 60 | 70 | 80 | 90 |
| 2.6 | 10.6 | 0.34 | 1.6 | 3.9 | 7 | 10.4 | 17.5 | 30.9 | 61.4 | – |
| 2.2 | 9.6 | 0.4 | 1.48 | 4.3 | 6.9 | 9.1 | 15.3 | 27.4 | 50.2 | – |
| 1.2 | 6.8 | 0.68 | 3 | 6.1 | 11.8 | 27.2 | – | – | – | – |
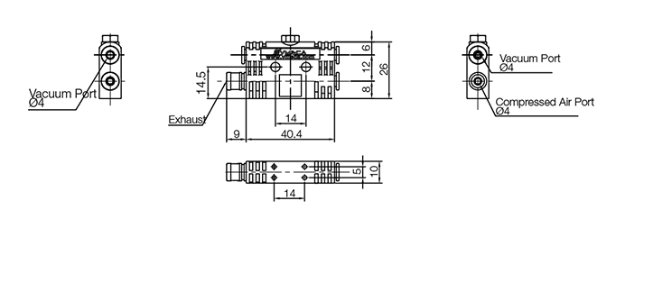
치수정보
| MC102: 기본 펌프 |
| Unit: mm |

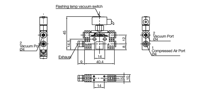
| MC102 with Optional Parts: 에어공급밸브, 진공파기밸브, 진공스위치 부착형 |
| Unit: mm |


주문번호
Spare Parts / 스페어 파트
| 모델번호 | 설명 |
| VC102 | Micro vacuum cartridge, 2-stage |
| MC102-S | Micro pump, 2-stage cartridge, Plug, Single unit |
| VCP-M7 | Holding plug for MC102 |

