VTCL3031-2
설명
VMECA 터틀 펌프 는 Vacuum 필터가 내장되어 있고 진공 시스템에 필요한 모든 구성 요소를 부착하도록 설계되었습니다. 특히, 내장된 VMECA카트리지는 기존의 진공 펌프보다 더 안정적인 진공을 제공하는, 효율적인 진공 시스템을 제공 합니다.
형식표시방법

1. 기본모델
| 제품코드 | 설명 |
| VTCL3031-2 | Turtle vacuum pump, “L” type 3-Stage, 1-cartridge, Polyester filter, G3/4″ vac ports |
2. 에어 절감 장치
| 제품코드 | 설명 |
| Blank | No air saving kit |
| ASV | Air saving kit integrated with air control valve |
| AS | Air saving kit without air control valve |
3. 에어공급밸브
| 제품코드 | 설명 |
| Blank | No air control valve |
| A1 | Air control valve, AC 110V |
| A2 | Air control valve, AC 220V |
| A3 | Air control valve, DC 24V |
| D1 | Double solenoid, Air control valve, AC 110V |
| D2 | Double solenoid, Air control valve, AC 220V |
| D3 | Double solenoid, Air control valve, DC 24V |
| ☛ Double solenoid valve is available only with DN or DL valve terminal option. |
4. 진공파기밸브
| 제품코드 | 설명 |
| Blank | No vacuum release control valve |
| R1 | Vacuum release control valve, AC 110V |
| R2 | Vacuum release control valve, AC 220V |
| R3 | Vacuum release control valve, DC 24V |
5. 리드선 취출 방법
| 제품코드 | 설명 |
| Blank | No air & vacuum release control valves |
| DN | Solenoid terminal, DIN type, No lead wire |
| DL | Solenoid terminal, DIN type, No lead wire, Lamp |
| CL | Solenoid terminal, Connector type, 30 cm lead wire |
| ☛ Option “CL” is available only with DC 24V. | |
| 2B | Solenoid terminal, DIN, 2-in-1 BUS cable |
| 3B | Solenoid terminal, DIN, 2-in-1 BUS cable |
| 4B | Solenoid terminal, DIN, 2-in-1 BUS cable |
| ☛ Option “2B” and “3B” are not available with Double solenoid valve. | |
| ☛ Option “3B” and “4B” are available only with DC 24V and S2 or S2P vacuum switch. |
6. 진공 스위치
| 제품코드 | 설명 |
| Blank | No vacuum switch |
| S2 | Digital switch, No analog supply, M8-4-pin, NPN |
| S2P | Digital switch, No analog supply, M8-4-pin, PNP |
| SG2 | Digital switch, No analog supply, 2 m lead wire, NPN |
| SG2P | Digital switch, No analog supply, 2 m lead wire, PNP |
| SG3 | Digital switch, Analog supply, 2 m lead wire, NPN |
| SG3P | Digital switch, Analog supply, 2 m lead wire, PNP |
7. 체크 밸브 사양
| 제품코드 | 설명 |
| Blank | No non-return valve |
| N | Non-return valve |
| ☛ The pump with air saving kit option do not require a non-return valve option. |
8. 실링재질
| 제품코드 | 설명 |
| Blank | NBR sealing material |
| V | Viton sealing material |
| E | EPDM sealing material |
기본 정보
1. 일반기술정보
| 최대 진공도 | -75 kPa |
| 최대 흡입유량 | 362 Nl/min |
| 공급압력 | 4 ~ 6 bar (Max 7 bar) |
| 사용 온도 | -20 ~ 80 ℃ |
| 소음도 | 50 ~ 60 dBA |
| 중량–기본 펌프 | 412 g |
2. 진공흡입유량
| 최대진공도 | 공급압력 | 진공도별(-kPa) 흡입유량(Nl/m) | |||||||||
| -kPa | bar | 0 | 10 | 20 | 30 | 40 | 50 | 60 | 70 | 80 | 90 |
| 75 | 6 | 362 | 194 | 154 | 100 | 52 | 38 | 32 | 22 | – | – |
| 70 | 5 | 344 | 200 | 130 | 82 | 50 | 38 | 23 | 11 | – | – |
| 60 | 4 | 302 | 176 | 110 | 70 | 46 | 28 | 7 | – | – | – |
3. 진공도달시간
| 공급압력 | 에어소모량 | 진공도달 시간/ Evacuation time in seconds per liter to reach different vacuum level (-kPa) | ||||||||
| bar | Nl/min | 10 | 20 | 30 | 40 | 50 | 60 | 70 | 80 | 90 |
| 6 | 104 | 0.01 | 0.07 | 0.12 | 0.2 | 0.28 | 0.36 | 0.6 | – | – |
| 5 | 85 | 0.01 | 0.08 | 0.15 | 0.25 | 0.3 | 0.4 | 0.8 | – | – |
| 4 | 70 | 0.03 | 0.09 | 0.17 | 0.29 | 0.38 | 0.8 | – | – | – |
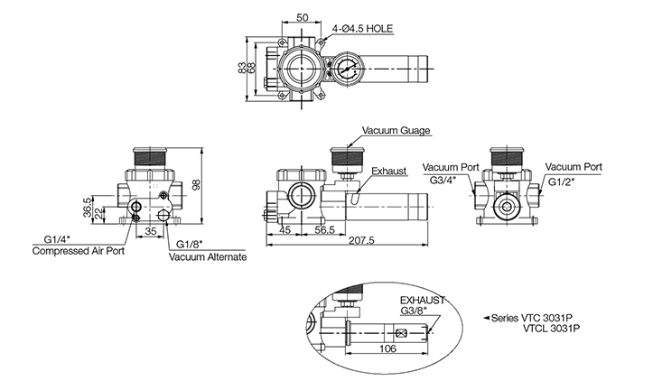
치수정보
| VTCL3031-2: 기본 펌프 |

| VTCL3031-2 with optional parts: 에어공급밸브, 진공파기밸브, 디지털 진공 스위치 부착형 |

주문번호
1. 기본 진공 펌프
| 모델 번호 | 설명 |
| VTCL3031-2 | Turtle midi vacuum pump,”L” type 3-stage 1-cartridge, Vacuum filter |
2. 에어공급밸브
| 모델 번호 | 설명 |
| MS18-3-1 | 2/2-way sol valve, G1/8″ Inlet, DC 24V, DIN type |
| MS18-3-2 | 2/2-way sol valve, G1/8″ Inlet, DC 24V, DIN type, Lamp |
| MS18-3-3 | 2/2-way sol valve, G1/8″ Inlet, DC 24V, Conn. type, 30 cm lead wire & Lamp |
| MS18-2-1 | 2/2-way sol valve, G1/8″ Inlet, AC 220V, DIN type |
| MS18-2-2 | 2/2-way sol valve, G1/8″ Inlet, AC 220V, DIN type, Lamp |
| MS18-1-1 | 2/2-way sol valve, G1/8″ Inlet, AC 110V, DIN type |
| MS18-1-2 | 2/2-way sol valve, G1/8″ Inlet, AC 110V, DIN type, Lamp |
| VMS14D-3-1 | 2/2-way double sol valve, G3/8 In, G1/4 Out, DC 24V, DIN type |
| VMS14D-3-2 | 2/2-way double sol valve, G3/8 In, G1/4 Out, DC 24V, DIN type, Lamp |
| VMS14D-2-1 | 2/2-way double sol valve, G3/8 In, G1/4 Out, AC 220V, DIN type |
| VMS14D-2-2 | 2/2-way double sol valve, G3/8 In, G1/4 Out, AC 220V, DIN type, Lamp |
| VMS14D-1-1 | 2/2-way double sol valve, G3/8 In, G1/4 Out, AC 110V, DIN type |
| VMS14D-1-2 | 2/2-way double sol valve, G3/8 In, G1/4 Out, AC 110V, DIN type, Lamp |
3. 진공 스위치
| 모델 번호 | 설명 |
| VP20V-01-F1-C | Digital switch, No analog supply, M8-4-pin connector, NPN (S2) |
| VP20V-03-F1-C | Digital switch, No analog supply, M8-4-pin connector, PNP (S2P) |
| VP20V-01-F1 | Digital switch, No analog supply, 2 m lead wire, NPN (SG2) |
| VP20V-03-F1 | Digital switch, No analog supply, 2 m lead wire, PNP (SG2P) |
| VP20V-01-F1-A | Digital switch, Analog supply, 2 m lead wire, NPN (SG3) |
| VP20V-03-F1-A | Digital switch, Analog supply, 2 m lead wire, PNP (SG3P) |
4. 진공 카트리지
| 모델 번호 | 설명 |
| VCL303 | Midi vacuum cartridge, “L” type 3-stage |
| VCL303S | Midi vacuum cartridge, “L” type 3-stage, Twofold silencer |
| VCL303-N | Midi vacuum cartridge, “L” type 3-stage, Non-return valve ☛ Pump with air saving kit |
| VCL303S-N | Midi vacuum cartridge, “L” type 3-stage, Twofold silencer, Non-return valve ☛ Pump w/Air saving kit |
5. 기타 부품
| 모델 번호 | 설명 |
| VTFE342 | Filter element, Polyester filter, 5-micron |
| VTTS-M25 | Twofold silencer for VC303 & VCL303 |
| VTG-18 | Vacuum gauge, Dial type, No mounting nut |
| VTF38-C | Top Filter Cover w/Gasket |
| VTF38-H | Filter Element Retainer |






