VTC200
Description
VMECA Vacuum Conveyor is a highly efficient and durable unit. It is able to transport a huge sum of dry raw material from point “A” to point “B”. The Vacuum Conveyor is able to transport food materials, pharmaceuticals, chemical products, and much more! The Vacuum Conveyor will allow your business to grow and run efficiently fitted just right to your application.
Build an Order #

1. Basic Model
| Symbol | Description |
| 200 | VTC200 series vacuum conveyor w/Free flow exhaust duct |
| 200CP | VTC200 series vacuum conveyor w/Central exhaust port |
2. Filter Size
| Symbol | Description |
| Blank | Standard, 0.12 m² |
| L | Extra large, 0.2 m² |
3. Filter Type
| Symbol | Description |
| C | Cartridge Filter, 38-Pointed Star, 0.2~0.5μ ✸ |
| C2 | Cartridge Filter, 18-Pointed Star, 0.2~0.5μ ✶ |
| B | Bag Filter – Filtering capacity (5μ) |
| B2 | Bag Filter – Filtering capacity (0.5μ ) |
4. Control Unit
| Symbol | Description |
| AC | Pneumatic control – Fluidization option available |
| AC2 | Pneumatic control – Fluidization option unavailable |
| AC3 | Pneumatic control – Fluidization option available, Stainless steel case |
| EC1 | Electric control – Fluidization option available |
5. Blowing Function
| Symbol | Description |
| Blank | No blowing function |
| B | Blowing function |
6. Injection Valve
| Symbol | Description |
| Blank | No injection valve |
| A | Injection valve |
7. Mounting Bracket
| Symbol | Description |
| Blank | No mounting bracket |
| M | Mounting bracket |
8. Conveyor Body Material
| Symbol | Description |
| Blank | SUS304 stainless |
| 316L | SUS316L stainless |
Specifications
1. General Specifications
| Max Conveying Capacity | 1.5 ton/hour |
| Air Consumption | 832 Nl/min @ 6 bar |
| Feed Pressure | 6 bar (Max 7 bar) |
| Noise Level | 68 ~ 76 dB |
| Weight | 24 Kg |
2. Conveying Capacity
| Model | Filter Size (m²) | Max Conveying Capacity (ton/h) | Capacity (ton/hr) at different distances | Rec.Material Pipe Dia. (mm) | |||
| 8 m | 12 m | 24 m | 33 m | ||||
| VTC200 | 0.12 | 1.5 | 1.5 | 1.1 | 0.72 | 0.48 | 42/51 |
| VTC200L | 0.2 | 1.5 | 1.5 | 1.1 | 0.72 | 0.48 | 42/51 |
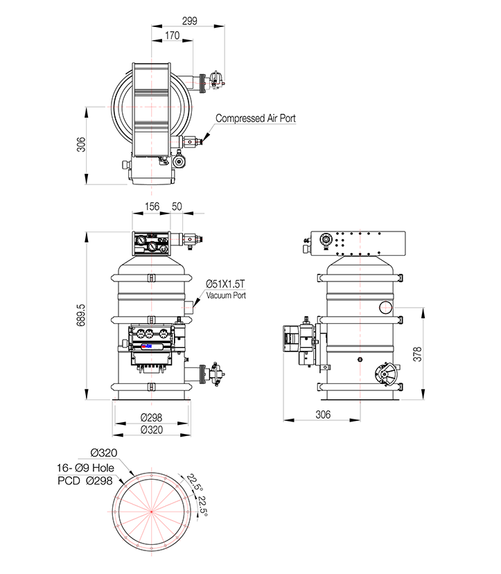
Dimensions
| VTC200: |
| Unit: mm |

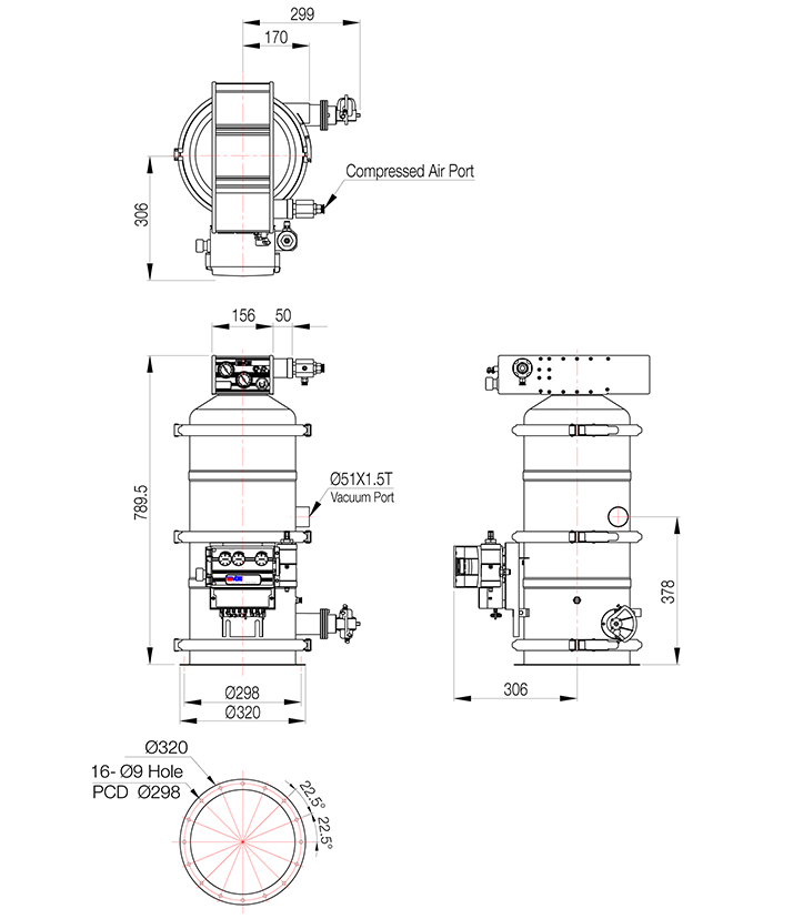
| VTC200L: |
| Unit: mm |

Order Numbers
Spare Parts
| Item | Description |
| 160021 | Fluidizing cone gasket, VTC100-400L |
| 177301 | Module gasket, VTC100-400L |
| 160062 | Hopper gasket, VTC100-400L |
| VCIV-32 | Injection Valve, Ø32 mm, VTC100-400L |
| VCFN-32 | Feed Nozzle, Ø32.0 mm |
| VCFN-40 | Feed Nozzle, Ø42.8 mm |
| 173131 | Hopper cone, VTC100-400L |
| 179101 | Filter Cartridge, 150mm, 38-Pointed Star, SUS304 VTC100, 200 |
| 179012 | Filter Cartridge, 250mm, 38-Pointed Star, SUS304 VTC200L, 400, 600, 800 |
| 179201 | Filter Cartridge, 150mm, 18-Pointed Star, SUS304 VTC200, 200 |
| 179202 | Filter Cartridge, 250mm, 18-Pointed Star, SUS304 VTC200L, 400, 600, 800 |
| 179110 | Filter Cartridge, 150mm, 38-Pointed Star, SUS316 VTC100, 200 |
| 179111 | Filter Cartridge, 250mm, 38-Pointed Star, SUS316 VTC200L, 400, 600, 800 |
| 179210 | Filter Cartridge, 150mm, 18-Pointed Star, SUS316 VTC100, 200 |
| 179211 | Filter Cartridge, 250mm, 18-Pointed Star, SUS316 VTC200L, 400, 600, 800 |
| 171303 | VTML400 CV-CT Vacuum Pump |






