VC202
Description
VMECA Mini Vacuum Cartridges are very suitable for handling small products such as semiconductor chips and other electronic components. You can design a very compact vacuum system with the mini cartridge.
Specifications
1. General Specifications
| Max Vacuum Level | -90 kPa |
| Open Vacuum Flow | 41.3 Nl/min |
| Feed Pressure | 1.7 ~ 4 bar (Max 7 bar) |
| Air Consumption | 32 Nl/min @ 4 bar |
| Temperature | -20 ~ 80 ℃ |
| Weight | 2.67 g |
2. Vacuum Flow
| Max Vacuum | Feed Pressure | Vacuum Flow (Nl/min) at different vacuum level (-kPa) | |||||||||
| -kPa | bar | 0 | 10 | 20 | 30 | 40 | 50 | 60 | 70 | 80 | 90 |
| 90 | 3.14 | 41.3 | 36.9 | 26 | 15.8 | 11 | 8.9 | 6.6 | 3.9 | 2 | – |
| 85 | 4 | 40 | 36.5 | 31 | 23 | 14.1 | 7.6 | 6.4 | 3.9 | 1.3 | Â – |
| 65 | 2.2 | 38.8 | 29.5 | 17 | 11.5 | 8 | 5.2 | 1.4 | – | – | – |
| 50 | 1.7 | 35 | 25.4 | 12.8 | 8.3 | 4 | – | – | – | – | – |
3. Evacuation Time
| Feed Pressure | Air Consumption | Evacuation time in sec per liter to reach different vacuum level (-kPa) | ||||||||
| bar | Nl/min | 10 | 20 | 30 | 40 | 50 | 60 | 70 | 80 | 90 |
| 3.14 | 26 | 0.15 | 0.37 | 0.61 | 1.05 | 1.5 | 2 | 3.8 | 6.2 | – |
| 4 | 32 | 0.14 | 0.39 | 0.59 | 0.9 | 1.2 | 1.8 | 3.2 | 6.9 | – |
| 2.2 | 20 | 0.18 | 0.48 | 0.95 | 1.55 | 2 | 2.5 | – | – | – |
| 1.7 | 17 | 0.26 | 0.59 | 1.29 | 2.56 | – | – | – | – | – |
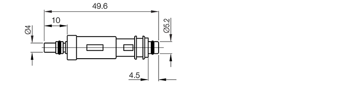
Dimensions
| VC202: Mini Vacuum Cartridge |
| Unit: mm |
 Â
Order Numbers
Vacuum Cartridge
| Part Number | Description |
| VC202 | Mini vacuum cartridge, 2-stage |
| VC202-N | Mini vacuum cartridge, 2-stage, w/Non-return valve |






