Aluminum Profiles
Description
The Magic Grippers can be assembled (installed) on the aluminum profiles (T06/ T08 series) which is specially designed to designed the profile direct mounted tooling. By using different size aluminum profiles, can make the vacuum tooling very flexibly and optimized solution for individual (de-centralized) vacuum system with Magic Grippers.
Build an Order #
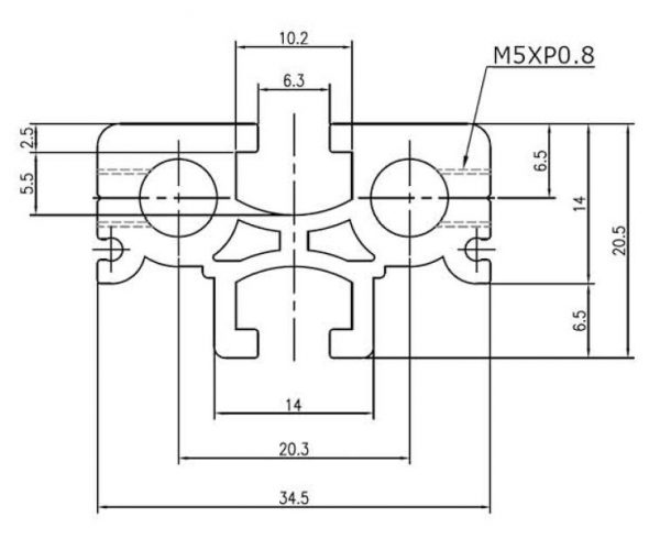
1. T06 – Series (Aluminum profiles)
| Symbol | Description |
| T06-500 | Profile length 0.5m |
| T06-1000 | Profile length 1.0m |
| T06-1500 | Profile length 1.5m |
| T06-2000 | Profile length 2.0m |
* for specific profile length contact to VMECA
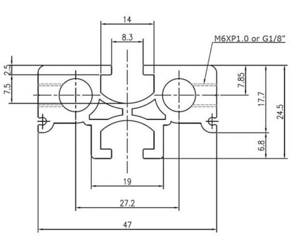
2. T08 – Series (Aluminum profiles)
| Symbol | Description |
| T08-500 | Profile length 0.5m |
| T08-1000 | Profile length 1.0m |
| T08-1500 | Profile length 1.5m |
| T08-2000 | Profile length 2.0m |
* for specific profile length contact to VMECA







