VDL303S
描述
VMECA VD Pump is an optimal vacuum solution for many applications as it can be built to your specific needs. With its powerful vacuum power and air efficiency, saves costs but gives the incredible strength needed.
- Extremely compact, lightweight, quiet and easy to install
- Quick start-up and processing time
- Excellent performance with the integrated VMECA Vacuum Cartridge and Twofold silencer
- Ability to excel in many automation systems
Build a Model #

1. Basic Model
| Symbol | Description |
| VDL303S | VDL303 vacuum pump, “L” type 3-stage cartridge, Twofold silencer |
2. Vacuum Port
| Symbol | Description |
| 34 | Vacuum port G3/4 |
| 12 | Vacuum port G1/2 |
3. Air Saving Kit
| Symbol | Description |
| Blank | No air saving kit |
| ASV | Air saving kit integrated with air control valve |
| AS | Air saving kit without air control valve |
4. Air Control Valve
| Symbol | Description |
| Blank | No air control valve |
| A1 | Air control valve, AC 110V |
| A2 | Air control valve, AC 220V |
| A3 | Air control valve, DC 24V |
| D1 | Double air control valve, AC 110V |
| D2 | Double air control valve, AC 220V |
| D3 | Double air control valve, DC 24V |
5. Vacuum Release Control Valve
| Symbol | Description |
| Blank | No vacuum release control valve |
| R1 | Vacuum release control valve, AC 110V |
| R2 | Vacuum release control valve, AC 220V |
| R3 | Vacuum release control valve, DC 24V |
6. Valve Solenoid Terminal
| Symbol | Description |
| Blank | No air & vacuum release control valves |
| DN | Solenoid terminal, DIN type, No lead wire |
| DL | Solenoid terminal, DIN type, No lead wire, Lamp |
| CL | Solenoid terminal, Connector type, 30 cm lead wire |
| ☛ Option “CL” is only available with DC24V. | |
| 2B | Solenoid terminal, DIN, 2-in-1 BUS cable |
| 3B | Solenoid terminal, DIN, 2-in-1 BUS cable |
| 4B | Solenoid terminal, DIN, 2-in-1 BUS cable |
| ☛ Option “2B” and “3B” are not available with a double solenoid valve. | |
| ☛ Option “3B” and “4B” are available only with DC24V and S2 or S2P vacuum switch. |
7. Adjustment of Vacuum Release Flow
| Symbol | Description |
| Blank | No adjustment of vacuum release flow |
| A | Adjustment of vacuum release flow |
8. Vacuum Switch
| Symbol | Description |
| Blank | No vacuum switch |
| S2 | Digital vacuum switch, No analog supply, M8-4-pins, NPN |
| S2P | Digital vacuum switch, No analog supply, M8-4-pins, PNP |
| SG2 | Digital vacuum switch, No analog supply, Grommet, NPN |
| SG2P | Digital vacuum switch, No analog supply, Grommet, PNP |
| SG3 | Digital vacuum switch, Analog supply, Grommet, NPN |
| SG3P | Digital vacuum switch, Analog supply, Grommet, PNP |
9. Non-Return Valve
| Symbol | Description |
| Blank | No non-return valve |
| N | Non-return valve |
| ☛ With option “Air saving kit”, Non-return valve is included as a standard. |
10. Sealing Material
| Symbol | Description |
| Blank | NBR sealing material |
| V | Viton sealing material |
| E | EPDM sealing material |
Specifications
1. General Specifications
| Max Vacuum Level | -75 kPa |
| Open Vacuum Flow | 362 Nl/min |
| Feed Pressure | 4 ~ 6 bar (Max 7 bar) |
| Air Consumption | 104 Nl/min @ 6 bar |
| Temperature | -20 ~ 80 ℃ |
| Weight – Basic pump | 445 g |
2. Vacuum Flow
| Max Vacuum | Feed Pressure | Vacuum Flow (Nl/min) at different vacuum level (-kPa) | |||||||||
| -kPa | bar | 0 | 10 | 20 | 30 | 40 | 50 | 60 | 70 | 80 | 90 |
| 75 | 6 | 362 | 194 | 154 | 100 | 52 | 38 | 32 | 22 | – | – |
| 70 | 5 | 344 | 200 | 130 | 82 | 50 | 37.5 | 23 | 11.3 | – | – |
| 60 | 4 | 302 | 176 | 110 | 70 | 46 | 28 | 6.8 | – | – | – |
3. Evacuation Time
| Feed Pressure | Air Consumption | Evacuation time in seconds per liter to reach different vacuum level (-kPa) | ||||||||
| bar | Nl/min | 10 | 20 | 30 | 40 | 50 | 60 | 70 | 80 | 90 |
| 6 | 104 | 0.012 | 0.07 | 0.12 | 0.2 | 0.28 | 0.36 | 0.6 | – | – |
| 5 | 85 | 0.013 | 0.08 | 0.15 | 0.25 | 0.3 | 0.4 | 0.8 | – | – |
| 4 | 70 | 0.028 | 0.09 | 0.17 | 0.29 | 0.38 | 0.8 | – | – | – |
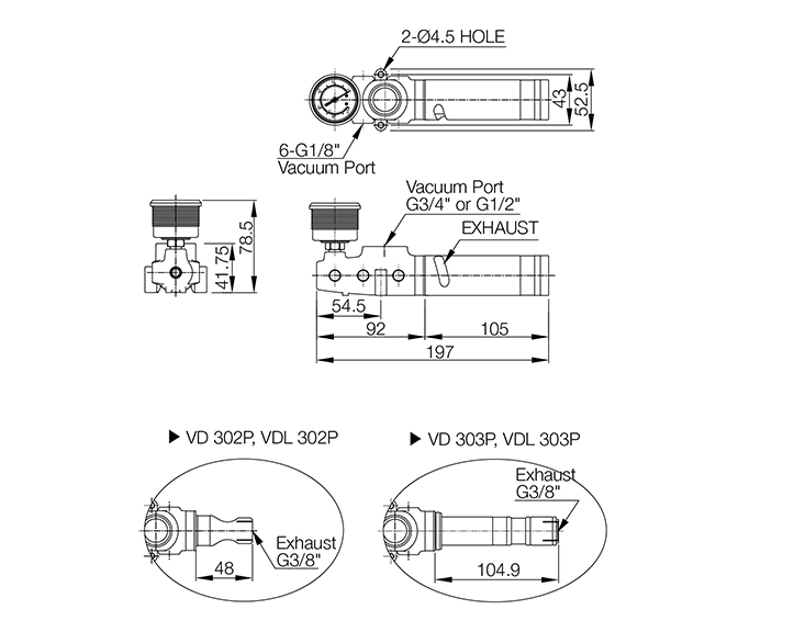
Dimensions
| VDL303: Basic Pump |
| Unit: mm |

| VDL303: with Single Solenoid Valve for Compressed Air |
| Unit: mm |

| VDL303: with Double Solenoid Valve for Compressed Air |
| Unit: mm |

Order Numbers
1. Vacuum Pump
| Part Number | Description |
| VDL303S-34 | VDL303 vacuum pump, “L” type 3-stage cartridge, Twofold silencer, G3/4 vacuum port |
| VDL303S-12 | VDL303 vacuum pump, “L” type 3-stage cartridge, Twofold silencer, G1/2 vacuum port |
2. Air Control Valve
| Part Number | Description |
| MS18-3-1 | 2/2 way solenoid, G1/8″ inlet, DC24V, DIN type |
| MS18-3-2 | 2/2 way solenoid, G1/8″ inlet, DC24V, DIN type, Lamp |
| MS18-2-1 | 2/2 way solenoid, G1/8″ inlet, AC220V, DIN type |
| MS18-2-2 | 2/2 way solenoid, G1/8″ inlet, AC220V, DIN type, Lamp |
| MS18-1-1 | 2/2 way solenoid, G1/8″ inlet, AC110V, DIN type, No LW |
| MS18-1-2 | 2/2 way solenoid, G1/8″ inlet, AC110V, DIN type, Lamp |
| VMS14D-3-1 | 2/2-way double solenoid, G3/8 In, G1/4 Out, DC24V, DIN type |
| VMS14D-3-2 | 2/2-way double solenoid, G3/8 In, G1/4 Out, DC24V, DIN type, Lamp |
| VMS14D-2-1 | 2/2-way double solenoid, G3/8 In, G1/4 Out, AC220V, DIN type |
| VMS14D-2-2 | 2/2-way double solenoid, G3/8 In, G1/4 Out, AC220V, DIN type, Lamp |
| VMS14D-1-1 | 2/2-way double solenoid, G3/8 In, G1/4 Out, AC110V, DIN type |
| VMS14D-1-2 | 2/2-way double solenoid, G3/8 In, G1/4 Out, AC110V, DIN type, Lamp |
3. Vacuum Switch
| Part Number | Description |
| VP20V-01-F1-C | Digital switch, No analog supply, M8-4-pin connector, NPN (S2) |
| VP20V-03-F1-C | Digital switch, No analog supply, M8-4-pin connector, PNP (S2P) |
| VP20V-01-F1 | Digital switch, No analog supply, 2 m lead wire, NPN (SG2) |
| VP20V-03-F1 | Digital switch, No analog supply, 2 m lead wire, PNP (SG2P) |
| VP20V-01-F1-A | Digital switch, Analog supply, 2 m lead wire, NPN (SG3) |
| VP20V-03-F1-A | Digital switch, Analog supply, 2 m lead wire, PNP (SG3P) |
4. Vacuum Cartridge
| Part Number | Description |
| VCL303 | Midi vacuum cartridge, “L” type 3-stage |
| VCL303S | Midi vacuum cartridge, “L” type 3-stage, Twofold silencer |
| VCL303-N | Midi vacuum cartridge, “L” type 3-stage, Non-return valve ☛ Pump with air saving kit |
| VCL303S-N | Midi vacuum cartridge, “L” type 3-stage, Twofold silencer, Non-return valve ☛ Pump w/Air saving kit |
5. Other
| Part Number | Description |
| VTTS-M25 | Twofold silencer |


