G30
描述
拾取具有不同形状,尺寸和多孔材料的物体可能具有挑战性, V-Grip已与我们高效的VMECA Cartridge 真空发生管集成。 此外,柔软耐用的泡沫可以抓握均匀和不平整的表面物体。 V-Grip可提供多种选项,如可调节止回阀,您可以从关,低,中,高和最大流量设置中进行调节。 V-Grip采用轻质铝合金车身框架设计,具有易于安装的插槽,并且需要非常低的维护成本。
型号标注方式 #

1. Basic Model
| Code | Description |
| G30X100-LC1 | Vacuum gripper, V-grip mini gripper, VC252, Foam pad, 30×100 mm |
| G30X150-LC1 | Vacuum gripper, V-grip mini gripper, VC252, Foam pad, 30×150 mm |
| G30X200-L1 | Vacuum gripper, V-grip mini gripper, VC253, Foam pad, 30×200 mm |
| G30X250-L1 | Vacuum gripper, V-grip mini gripper, VC253, Foam pad, 30×250 mm |
| G30X300-L1 | Vacuum gripper, V-grip mini gripper, VC253, Foam pad, 30×300 mm |
| G30X400-L1 | Vacuum gripper, V-grip mini gripper, VC253, Foam pad, 30×400 mm |
| G30X500-L1 | Vacuum gripper, V-grip mini gripper, VC253, Foam pad, 30×500 mm |
| G30X600-L1 | Vacuum gripper, V-grip mini gripper, VC253, Foam pad, 30×600 mm |
2. Vacuum Port
| Code | Description |
| EL | Oval shape suction hole |
| ES | Round shape suction hole |
3. Check Valve
| Code | Description |
| 1 | For non-leackage application |
| 2 | For leackage rate, 1~10% application |
4. Mark Free
| Code | Description |
| Blank | No mark free |
| A | Mark Free |
5. Air Control Valve
| Code | Description |
| Blank | No air control valve |
| A1 | Air control valve, AC 110V |
| A2 | Air control valve, AC 220V |
| A3 | Air control valve, DC 24V |
| D1 | Double solenoid, Air control valve, AC 110V |
| D2 | Double solenoid, Air control valve, AC 220V |
| D3 | Double solenoid, Air control valve, DC 24V |
| ☛ Double solenoid valve is available only with DN or DL valve terminal option. |
6. Control Valve Terminal
| Code | Description |
| Blank | No air & vacuum release control valves |
| DL | Solenoid terminal, DIN type, No lead wire, Lamp |
技术参数
1. General Specifications
| Max Vacuum Level | -90 kPa |
| Open Vacuum Flow | 146 Nl/min |
| Feed Pressure | 6 bar (Max 7 bar) |
| Temperature | -20 ~ 80 ℃ |
| Noise Level | 50 ~ 60 dB |
2. Vacuum Flow
| Model | Inlet Air Pressure (bar) | Air Consumption (Nl/min) | Max Vacuum Flow (Nl/min) | Max Vacuum Level (-kPa) |
| G30X100-LC1 | 6 | 84 | 111 | 90 |
| G30X150-LC1 | 6 | 84 | 111 | 90 |
| G30X200-L1 | 6 | 84 | 146 | 90 |
| G30X250-L1 | 6 | 84 | 146 | 90 |
| G30X300-L1 | 6 | 84 | 146 | 90 |
| G30X400-L1 | 6 | 84 | 146 | 90 |
| G30X500-L1 | 6 | 84 | 146 | 90 |
| G30X600-L1 | 6 | 84 | 146 | 90 |
3. Holding Force ( EL-type)
| Model | Holding force at the percentage of cover pad | Weight (g) | |||
| 40% (N) | 60% (N) | 80% (N) | 100% (N) | ||
| G30X100-LC1-EL | 51 | 77 | 159 | ||
| G30X150-LC1-EL | 43 | 78 | 108 | 168 | 243 |
| G30X200-L1-EL | 49 | 106 | 151 | 173 | 344 |
| G30X250-L1-EL | 69 | 120 | 170 | 206 | 418 |
| G30X300-L1-EL | 72 | 132 | 182 | 244 | 503 |
| G30X400-L1-EL | 80 | 158 | 295 | 443 | 671 |
| G30X500-L1-EL | 97 | 190 | 377 | 526 | 823 |
| G30X600-L1-EL | 111 | 231 | 487 | 604 | 979 |
4. Holding Force (ES-type)
| Model | Holding force at the percentage of cover pad | Weight (g) | |||
| 40% (N) | 60% (N) | 80% (N) | 100% (N) | ||
| G30X100-LC1-ES | 36 | 55 | 159 | ||
| G30X150-LC1-ES | 31 | 55 | 76 | 120 | 243 |
| G30X200-L1-ES | 33 | 75 | 106 | 123 | 344 |
| G30X250-L1-ES | 48 | 84 | 120 | 145 | 418 |
| G30X300-L1-ES | 51 | 92 | 126 | 168 | 503 |
| G30X400-L1-ES | 57 | 110 | 205 | 308 | 671 |
| G30X500-L1-ES | 69 | 132 | 263 | 371 | 823 |
| G30X600-L1-ES | 78 | 149 | 343 | 420 | 979 |
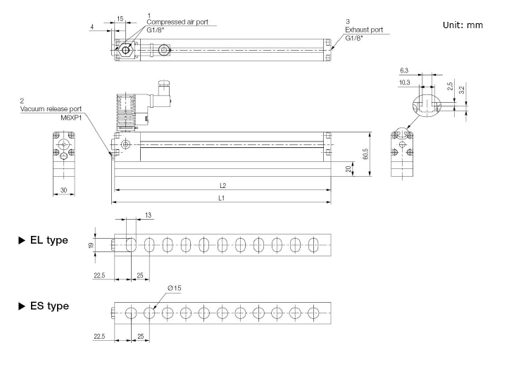
尺寸
| G30 series: |

| Model | L1 | L2 | Q’ty of Vacuum Ports |
| G30X100-LC1 | 102.1 | 96.6 | 3 |
| G30X150-LC1 | 150.6 | 146.6 | 5 |
| G30X200-L1 | 200.6 | 196.6 | 7 |
| G30X250-L1 | 250.6 | 246.6 | 9 |
| G30X300-L1 | 300.6 | 296.6 | 11 |
| G30X400-L1 | 400.6 | 396.6 | 15 |
| G30X500-L1 | 500.6 | 496.6 | 19 |
| G30X600-L1 | 600.6 | 596.6 | 23 |
订购编码
订购编码
| Part Number | Description |
| G30X100-LC1-EL | Vacuum gripper, Mini gripper, VC252, Foam pad, 30×100 mm, Oval suction hole |
| G30X150-LC1-EL | Vacuum gripper, Mini gripper, VC252, Foam pad, 30×150 mm, Oval suction hole |
| G30X200-L1-EL | Vacuum gripper, Mini gripper, VC253, Foam pad, 30×200 mm, Oval suction hole |
| G30X250-L1-EL | Vacuum gripper, Mini gripper, VC253, Foam pad, 30×250 mm, Oval suction hole |
| G30X300-L1-EL | Vacuum gripper, Mini gripper, VC253, Foam pad, 30×300 mm, Oval suction hole |
| G30X400-L1-EL | Vacuum gripper, Mini gripper, VC253, Foam pad, 30×400 mm, Oval suction hole |
| G30X500-L1-EL | Vacuum gripper, Mini gripper, VC253, Foam pad, 30×500 mm, Oval suction hole |
| G30X600-L1-EL | Vacuum gripper, Mini gripper, VC253, Foam pad, 30×600 mm, Oval suction hole |
| G30X100-LC1-ES | Vacuum gripper, Mini gripper, VC252, Foam pad, 30×100 mm, Round suction hole |
| G30X150-LC1-ES | Vacuum gripper, Mini gripper, VC252, Foam pad, 30×150 mm, Round suction hole |
| G30X200-L1-ES | Vacuum gripper, Mini gripper, VC253, Foam pad, 30×200 mm, Round suction hole |
| G30X250-L1-ES | Vacuum gripper, Mini gripper, VC253, Foam pad, 30×250 mm, Round suction hole |
| G30X300-L1-ES | Vacuum gripper, Mini gripper, VC253, Foam pad, 30×300 mm, Round suction hole |
| G30X400-L1-ES | Vacuum gripper, Mini gripper, VC253, Foam pad, 30×400 mm, Round suction hole |
| G30X500-L1-ES | Vacuum gripper, Mini gripper, VC253, Foam pad, 30×500 mm, Round suction hole |
| G30X600-L1-ES | Vacuum gripper, Mini gripper, VC253, Foam pad, 30×600 mm, Round suction hole |
| MS18-1-2 | 2/2 Way sol. valve, G1/8″ Inlet, AC110V, DIN w/Lamp, No lead-wire |
| MS18-2-2 | 2/2 Way sol. valve, G1/8″ Inlet, AC220V, DIN w/Lamp, No lead-wire |
| MS18-3-2 | 2/2 Way sol. valve, G1/8″ Inlet, DC24V, DIN w/Lamp, No lead-wire |



