설명
VMECA Vacuum Conveyor는 매우 효율적이며 내구성이 뛰어난 제품입니다. 대량의 분채, 분말을 지점’A’에서 지점’B’까지 간편하게 운반할 수 있으며, 식품 재료, 의약품, 화학 제품 등을 운반할 수 있습니다.
VMECA Vacuum Conveyor를 이용하여 효율적이고 안전하고 안정적인 제품 생산을 통해 생산성을 증가 시킬 수 있습니다.
Build an Order #

1. Basic Model
| Symbol |
Description |
| 100 |
VTC100 series vacuum conveyor w/Free flow exhaust duct |
| 100CP |
VTC100 series vacuum conveyor w/Central exhaust port |
2. Filter Size
| Symbol |
Description |
| Blank |
Standard, 0.12 m² |
| L |
Extra large, 0.2 m² |
3. Filter Type
| Symbol |
Description |
| C2 |
Cartridge Filter – Filtering capacity (0.2~0.5μ ) |
| B |
Bag Filter – Filtering capacity (5μ) |
| B2 |
Bag Filter – Filtering capacity (0.5μ ) |
4. Control Unit
| Symbol |
Description |
| AC |
Pneumatic control – Fluidization option available |
| AC2 |
Pneumatic control – Fluidization option unavailable |
| AC3 |
Pneumatic control – Fluidization option unavailable, Stainless case |
| EC |
Electric control – Fluidization option available |
5. Blowing Function
| Symbol |
Description |
| Blank |
No blowing function |
| B |
Blowing function |
6. Injection Valve
| Symbol |
Description |
| Blank |
No injection valve |
| A |
Injection valve |
7. Conveyor Body Material
| Symbol |
Description |
| Blank |
SUS304 stainless |
| 316L |
SUS316L stainless |
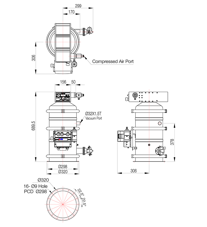
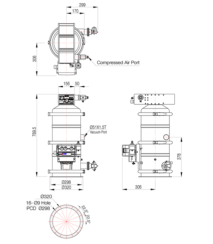
Specifications
1. General Specifications
| Max Conveying Capacity |
0.9 ton/hour |
| Air Consumption |
416 Nl/min @ 6 bar |
| Feed Pressure |
6 bar (Max 7 bar) |
| Noise Level |
68 ~ 76 dB |
| Weight |
23 Kg |
2. Conveying Capacity
| Model |
Filter Size (m²) |
Max Conveying Capacity (ton/h) |
Capacity (ton/hr) at different distances |
Rec.Material Pipe Dia. (mm) |
| 8 m |
12 m |
24 m |
33 m |
| VTC100 |
0.12 |
0.9 |
0.9 |
0.64 |
0.48 |
0.36 |
32/42 |
| VTC100L |
0.2 |
0.9 |
0.9 |
0.64 |
0.48 |
0.36 |
32/42 |