Beschreibung

Die SC-Pumpe ist mit einem Rückschlagventil am Abblasanschluß ausgestattet, so dass sich das Objekt sehr schnell vom Sauger löst. Diese Pumpe ist am besten für Hochgeschwindigkeitsanwendungen geeignet.

Bestellnummer


1. Basic Model

Symbol Description
SC202P-C SC pump, 2-stage cartridge, Twofold silencer

2. Vacuum Port

Symbol Description
14F G1/4 female, Vacuum port

Angaben

1. General Specifications

Max Vacuum Level -90 kPa
Open Vacuum Flow 44 Nl/min
Feed Pressure 1.7 ~ 4 bar (Max 7 bar)
Air Consumption 40 Nl/min @ 4 bar
Temperature -20 ~ 80 ℃
Weight – Basic pump 80 g

2. Vacuum  Flow

Max Vacuum Feed Pressure Vacuum Flow (Nl/min) at different vacuum level (-kPa)
-kPa bar 0 10 20 30 40 50 60 70 80 90
90 3.14 44 36 25 17 16 14 10 7 3.5
89 4 42 39 29 21 16 12 9.5 7 2.4
65 2.2 39 27 17 16 14 8.4 2.6
49 1.7 39 20 16 12 5.3

3. Evacuation Time

Feed Pressure Air Consumption Evacuation time in sec per liter to reach different vacuum level (-kPa)
bar Nl/min 10 20 30 40 50 60 70 80 90
3.14 34 0.06 0.28 0.51 1.01 1.18 1.29 1.73 3
4 40 0.08 0.24 0.50 0.71 0.85 1.18 1.41 3.05
2.2 26 0.08 0.39 0.59 0.85 0.96 1.10
1.7 22 0.13 0.40 0.79 1.57  –

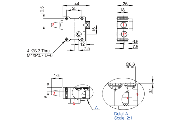
Maße

SC202P-C:
Unit: mm

No Description
1 Compressed-Air Port, G1/8″
1r Vacuum Release Port, G1/8″
2 Vacuum Port, G1/4″
3 Exhaust Port

Bestellnummern

Basic Vacuum Pump & Spare Parts

Part Number Description
SC202P-C SC pump, 2-stage cartridge, Holding plug
VC202 Mini vacuum cartridge, 2-stage
VCP-202PS2 Holding plug, SC202P-C

Downloads

Catalog & CAD files
CAD 2D File
SC202P-C-14F
CAD 3D File
SC202P-C-14F
Catalog
SC202P-C-14F

Das könnte dir auch gefallen…

Title